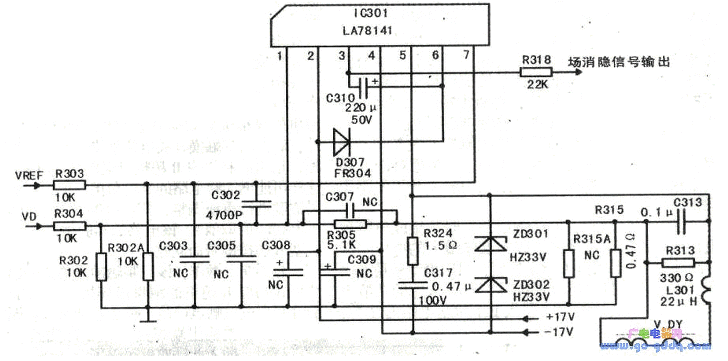
Salah satu blok rangkaian TV tabung atau TV CRT adalah blok vertikal. Salah satu ic yang sering dipergunakan pada blok vertikal yaitu ic vertikal LA 78141.
Beberapa merek TV menggunakan IC vertikal buatan Sanyo ini. IC ini memiliki pin sejumlah 7 buah. Berikuti ini data pin ic vertikal LA 78141
- Pin 1 Inverting Input
- Pin 2 Vcc
- Pin 3 Pump Up
- Pin 4 Ground
- Pin 5 Vertikal Out
- Pin 6 Stage Vcc
- Pin 7 Non Inverting Input
Pin 2 Vcc jika menggunakan catu daya tunggal biasanya diberikan tegangan anatar 26-28V. Sedangkan kalau menggunakan simeetris diberikan catu daya +14V.
Contoh Skema dalam rangkaian blok Vertikal TV
Data persamaan IC vertikal LA 78141
- TDA863A
- LA832
- STV9326
- LA78045
- LA7837
- STV9302
- TDA3653B
- TDA4863A
- STV8172
- STV9379
- TDA8172
- TDA8178
- TA8403K
Semoga bermanfaat..


